这是您想要的页面.
查看搜索结果:
您希望搜索哪方面的内容?
建议的搜索
No product matches found - System Exception
符合的结果
特点
- BERT 扫描
- 抖动容限
- 被测器件控制界面
- 参数扫描
- 外部 CDR 控件
- 实时示波器可作为误码检测器使用
- 自动去加重优化
适用于 M8000 系列 BER 测试解决方案的 M8070B 系统软件可以通过附加软件包(例如 M8070ADVB 或 M8070EDAB)进一步增强功能,从而发挥出 M8040A、M8020A 和 M8030A J-BERT 平台的最大优势。
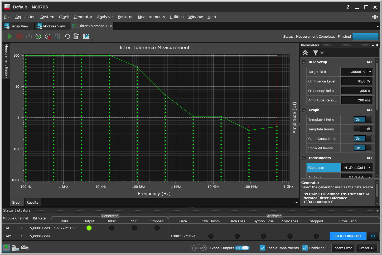
M8070ADVB 先进测量套件还提供了一些先进的功能特性,例如自动抖动容限测试和参数扫描、眼图测量或外部设备整合,例如电或光时钟恢复,或使用实时示波器进行误差分析。

图 1:自动抖动容限测量
免费试用
适用于 M8000 系列 BERT 测试解决方案的 M8070ADVB 先进测量套件
M8070ADVB 先进测量套件提供了多种非常先进的测量功能,因此能够帮助 M8000 系列 BER 测试解决方案的用户节省测试设计时间:
- 自动抖动容限测试,以及可用于干扰容限或灵敏度测试的参数扫描
- 眼图测量
- 从 M8070B 控制外部测试设备,其中包括实时示波器和采样示波器以及时钟恢复单元。
想要深入了解 M8070ADVB?
扩展先进测量套件(用于 M8000 系列 BERT 测试解决方案)的功能
关于 M8070ADVB 先进测量套件(用于 M8000 系列 BERT 测试解决方案)的特色资源
需要帮助或遇到问题?